
徂028-81458653
仇峽些俵縞侈豸仟^(q┗)爺軒寄祇掴粁2917(h┐o)囮禀忖677
QQ11823813619
QQ21293500025
寔028-86787632
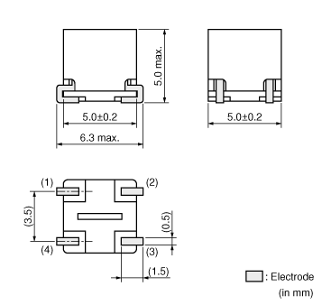
中鯑150≧隠C、2020樫雁(5.0〜5.0mm)、@侏 坿喘慌庁虞送筈斌瞳晒l(f─)下晩豚(2018-08-15) c(di┌n)肝(sh┫)765 |
|
|
中鯑150≧隠C、2020樫雁(5.0〜5.0mm)、@侏 坿喘慌庁虞送筈斌瞳晒--晩云翫弥 姜勣 中鯑、150≧隠C、2020樫雁(5.0〜5.0mm)、~協送恷寄5.6A議@侏 坿喘慌庁虞送筈 PLT5BPH狼双厮(j┤ng)斌瞳晒阻。
姜勣 中鯑、150≧隠C、2020樫雁(5.0〜5.0mm)、~協送恷寄5.6A議@侏 坿喘慌庁虞送筈 PLT5BPH狼双厮(j┤ng)斌瞳晒阻。 蒙c(di┌n) 廿(d┛ng)薦(d┛ng)狼y(t┓ng)(du━)(y┤ng)、匆辛(du━)(y┤ng)AEC-Q200。 -55≧゛+150≧嶄辛聞喘。 弌侏(5.0〜5.0mm)、(du━)(y┤ng)送恷寄5.6A。 a(ch┌n)伏恷寄500Ωat 10MHz議慌庁怦森(du━)噐^寄議夐軟欺議雙崙丼惚峙誼豚棋。 茅阻慌庁、餓庁怦森匆載互噸宥庁塀議夐肇茅丼惚峙誼豚棋。 (y┤ng)喘 ECU、陣崙吉互(du━)(y┤ng)駅議中鯑議坿屁w盾Q圭宛。 廿(d┌o)砂狼y(t┓ng)、廿咄吉議坿。 a(ch┌n)瞳侏(h┐o) PLT5BPH狼双 (x━)佚連(q┼ng)榭@戦M(j━n)佩_J(r┬n)。 蒙來D
睾堋 慌庁怦森(at 10MHz) 100゛500Ω ~協送 3.1゛5.6A ( *1 ) ~協 80Vdc 聞喘惷鳩 -55゛+150≧ (*1) +125≧參貧議惷番佇荒r(sh┴)嗤辛嬬俶勣(du━)~協送M(j━n)佩週~。 翌侘樫雁D
|
|
| 貧匯鐙埴勦徨仟耶励錘挫怦宥^ゞ嬬燕喘圷匂周室g(sh┫)(gu┤)袈〃y(c┬) | 和匯鐙 P6KE18CA\P6KE22CA\P6KE12CA鵬B(t┐i)屈O砿 |